13316372403

您的位置: 网站首页 > 产品中心 > 滚筒线系列
  • MK(中国)一站式服务平台
  • 流水线系列
  • 非标自动化
  • 精益线系列
  • 链条环形线系列
  • 插件线系列
  • 烘烤线系列
  • 滚筒线系列
  • 产品老化系列
  • 工作台系列
  • 其它品类产品
  • 左右环型滚筒线B

    产品类别:滚筒线系列

    产品简介:

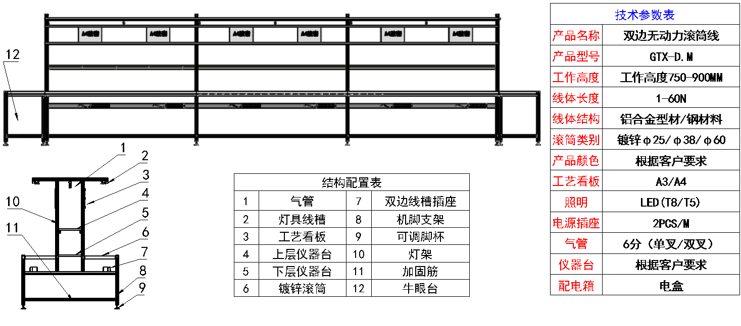
    双边滚筒线分为手推式双边滚筒线和自动双边滚筒线两种,前者为手推式作业,后者为自动流动式作业(即工件一边自动流动一边作业),该作业方式效率较高。该设备广泛应用于一般加工、装配、包装比较重型的产品,同时也适用于各类重型慢节拍率的产品组装生产,也适用于托盘式货物的输送,本产品能够运送单件重量很大的物料,承受较大的载荷,全线标配有物料台,物料台有平面和斜面设计,全线体还标准配装了LED灯具、工具吊轨、气管及接头、线槽及插座、工艺SOP架等。

    采购热线:13316372403

    电话咨询 返回上页

    图片17.png

    图片18.png


    电话联系 联系方式

    微信

    微信公众号

    关注微信

    电话

    座机:0752-2311081 手机:13316372403

    顶部